En esta entrada vamos a hacer un ejemplo práctico con el que se ha encontrado el editor de esta web. Recientemente adquirió el bajo Cort B4FL MHPZ, un instrumento fretless con una pastilla magnética y una piezoeléctrica en el puente.
Uno de los problemas que nos hemos encontrado es que el control de tono de la pastilla magnética no es progresivo, al girar no recorta agudos hasta que no llega prácticamente al final del recorrido.
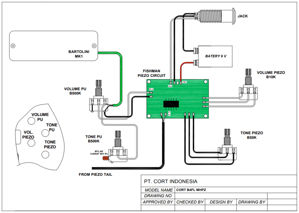
Por otra parte, si el bajo se queda sin pila, no suena. Nos hemos propuesto remediar estos dos inconvenientes, pero para ello necesitamos conocer el esquema eléctrico del bajo. Casi todos los fabricantes lo suelen proporcionar en su página web, para nuestro bajo, es el siguiente:

Interpretando el esquema
Los esquemas que se suelen facilitar para los usuarios finales suelen ser bastante detallados, con dibujos representando los diferentes componentes, buscando que un usuario que no tiene conocimientos de electrónica pueda entenerlos.
Lo habitual es que el circuito represente el viaje de la señal de audio desde la pastilla al jack de salida, puede representarse de arriba a abajo, o de iqquierda a derecha.
En nuestro ejemplo vemos a la izquierda la pastilla magnética dibujada y un cable rotulado «From piezo tail». Este es nuestro punto de origen.
Sigamos la señal de la pastilla magnética: va a un potenciómetro de volumen que tiene asociado un tono pasivo. Los potenciómetros tienen marcado su valor, y aquí encontramos el primer problema: para el pote de tono, es un potenciómetro lineal (rotulado con una «B»). Si el recorrido de este pote no nos gusta, lo más probable es que debiera ser logarítmico (o «de audio», marcados con una «A»).
La señal del pote de volumen de la pastilla magnética se conecta a la placa del preamplificador interno.
La otra pastilla piezo se conecta directamente al previo interno. El volumen y tono del piezo salen del previo.
De lo anterior podemos deducir lo siguiente: si conectamos directamente la salida del pote de volumen magnético al jack de salida, la pastilla debería sonar, aunque no hubiese pila alimentando el circuito, puesto que «nos lo estamos saltando».
Así mismo, en la disposición actual, si el circuito se queda sin alimentación, nos quedamos sin sonido. La señal de la pastilla magnética pasa siempre por el previo interno.
Posibles alternativas para la señal
Una pastilla piezoeléctrica casi siempre necesita un previo, para adaptar impedancias y niveles de señal. Sin embargo, la pastilla magnética sí que puede funcionar de forma pasiva, saltándose el previo.
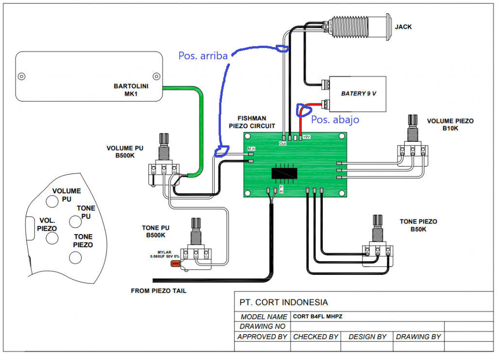
La solución que hemos ideado es la siguiente: usar un interruptor de dos posiciones DPDT, de tal forma que en cada posición tendremos diferente comportamiento.

- Posición «abajo»: en esta posición, el circuito funciona según lo ha diseñado el fabricante. Para ello, cortaremos el cable (rojo) que va de la batería al circuito y pondremos los extremos en los dos pines inferiores de un lado del switch. El circuito estará alimentado y funcionará exactamente igual que el de serie.
- Posición «arriba»: en esta posición se interrume el flujo de corriente de la pila al previo (con lo que el previo deja de funcionar) y además, puenteamos la salida del pote de volumen de la pastilla magnética con el jack de salida. De esta forma, es como si fuese un circuito pasivo convencional, si bien perdemos el piezo.

Nos gusta esta posibilidad porque si dejamos en posición «arriba», no se gasta la pila, es como si tuviésemos un bajo normal con una pastilla magnética, sin piezo. El incoveniente de esta disposición es que se produce un ruido al cambiar de posición, puesto que entra (o se corta) la alimentación al previo y genera un «pop» algo molesto.
Otra alternativa podría ser que en posición «arriba» se separe la salida del previo del jack de salida y se puentee el pote de volumen magnético con el jack de salida. En posición «abajo», la señal de salida del previo va al jack. En este caso no se produciría «pop» al pasar de activo a pasivo y viceversa, puesto que el circuito está siempre alimentado, aunque esté separado del jack en la posición «arriba». Sin embargo, consumiría siempre pila.
Se trata de pensar qué es lo que nos conviene más, en nuestro caso queremos tener este recurso para situaciones de emergencia, como que la pila se agote. Aunque una pila que se está agotando siempre suele avisar (el sonido se va degradando), nos gusta tener la posibilidad de ser totalmente autónomos de la pila.
Potenciómetros con DPDT

Son potes que tienen adosado un switch DPDT. Nos permiten añadir este componente al instrumento sin tener que hacer un agujero en la tapa.
Pueden ser «push/pull» (hay que pulsar o tirar para conmutar) o «push/push», en los que el paso siempre se hace pulsando. Estos últimos son especialmente cómodos.
Trabajo terminado:
- Con el pote de A250k ahora el recorrido del pote de tono es progresivo.
- En caso de desastre (batería que se acaba, avería en el previo o en el piezo) tenemos una alternativa para usar solo la pastilla magnética en modo pasivo.
Dejar una contestacion